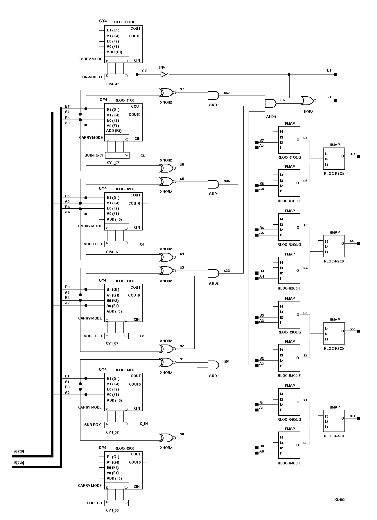
Figure 4.46 COMPMC8 Implementation XC4000E, XC4000X, Spartan, SpartanXL