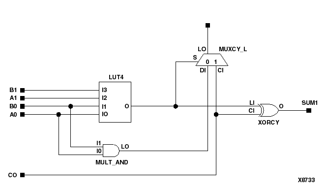
Figure 7.24 Example Multiplier Using MULT_AND

Example Multiplier Using MULT_AND figures/x8733.gif