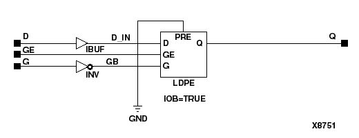
Figure 6.44 Block Diagram of XC4000X IOB

Block Diagram of XC4000X IOB figures/x8751.gif