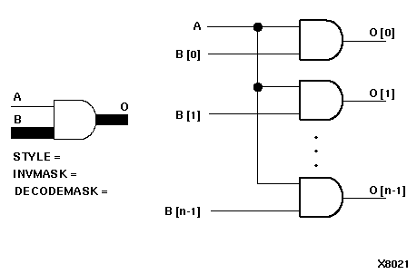
Figure 4.34 Type 2 AND Gate: Symbol and Logic Diagram

Type 2 AND Gate: Symbol and Logic Diagram figures/x8021.gif