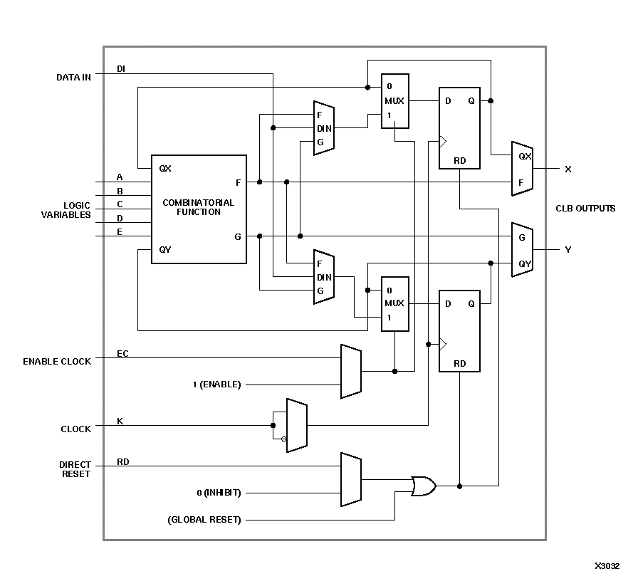
Figure 1.1 XC3000 CLB Structure

XC3000 CLB Structure figures/x3032n.gif